长波红外镜头
L61510M-17
L61510M-17波段8-12μm,光圈F1.0,分辨率384x288,17μm;
  • 产品特点
  • 技术参数
产品特点

L61510M-17  长波红外镜头8-12μm

技术参数

型号

L61510M-17

焦距

15mm

光圈值

F1.0

波段

8-12μm

探测器

640×480;17μm

视场角(水平~垂直)

42°x32°

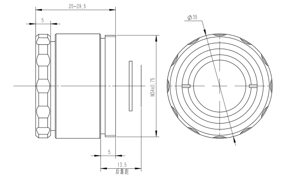
外形尺寸

φ43×37.4mm

重量

52g


image.png