长波红外镜头
L66.810M-17
L66.810M-17波段8-12μm,光圈F1.0,分辨率640x480,17μm
  • 产品特点
  • 技术参数
产品特点

L66.810M-17  长波红外镜头8-12μm

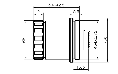
技术参数

型号

L66.810M-17

焦距

6.8mm

光圈值

F1.0

波段

8-12μm

探测器

640×480;17μm

视场角(水平~垂直)

90°x68°

外形尺寸

φ42.5×38mm

重量

46g


image.png